在煤礦生產的過程中,井口防凍是保證礦井安全生產的必要措施,根據《煤礦安全規程》規定,礦井進風井口空氣溫度應保證在2℃以上。因此在室外氣溫低于2℃時,需要對礦井進風井口處的空氣加熱后送入。

噴淋式乏風熱泵

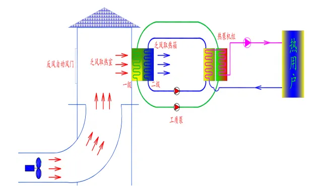
傳統的加熱方式是采用燃煤、燃氣加熱熱水或者直接采用電熱風爐加熱礦井進風井口處的空氣。隨著能源供應和環境污染矛盾突出,為實現綠色、環保、低碳綠色技術創新。科靈研發團隊采用礦井乏風余熱回收技術,研發礦山余熱回收熱泵系統,回收礦井乏風余熱用于礦井進風口保溫防凍、建筑物供暖和生活熱水供應。成功解決礦井進風口防凍難、成本高的難題。真正地實現了礦區“采煤不燃煤”的綠色發展理念。系統投入運行后,經現場實測:系統用戶側的平均供水溫度50.3℃,礦井通風冷空氣加熱后平均溫度19℃,井筒內的混風溫度均大于4℃,建筑物供暖溫度22~24℃,礦井乏風熱回收熱泵系統在礦區運行穩定可靠,井筒保溫防凍效果好、建筑供暖舒適性高,為礦井安全生產提供了保障。
直蒸式乏風熱泵

科靈礦井乏風余熱回收系統已應用在十幾個煤礦項目上,其中典型項目有山東能源魯西礦業唐口煤礦、山東能源西北礦業亭南煤礦、山東能源魯西礦業郭屯煤礦、寧夏力量礦業、平頂山六礦三水平北山煤礦、陜西神木朱蓋塔礦業、河南龍宇能源車集煤礦。
三級取熱乏風熱泵

礦井乏風余熱回收和井口保溫防凍,不同地區環境溫濕度和礦井乏風溫濕度不同,具體如何進行方案設計,則需要用到溫度、濕度、風量等參數。科靈礦井乏風余熱回收熱泵系統輕松解決您的設計難題。


掃碼進入手機站